Toggle navigation
Home
Prodotti
Capri
Compactline
Produzione ''just in time'' in cantiere
Grandi Formati fino a 160x360 cm
Robustus
Greenline
Starline
Industrialine
Laterizio
Stone & Co.
Robotics
Vetro
Accessori e ricambi
Usato
Rete commerciale
News/Eventi
Dove Siamo
Contatti
Home
Prodotti
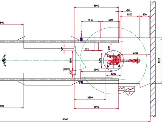
ROBOGLASS 3000
Robot per alimentare linee di molatura (bilaterali o rettilinee).
Richiedi maggiori informazioni